球阀
发表时间:6/11/2012 10:48:13 AM[ 阅读次数:2270 ]
|
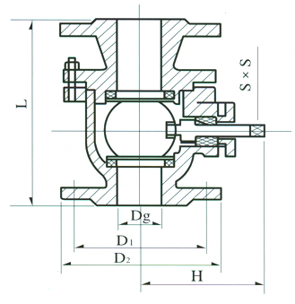
Dg |
D1 |
D2 |
L |
H |
S×S |
备注 | ||
|
1.6 |
2.5/4.0 |
1.6 |
2.5/4.0 | |||||
|
15 |
65 |
90 |
130 |
110 |
9×9 |
一、材质
二、使用温度 | ||
|
20 |
75 |
105 |
140 |
120 |
9×9 | |||
|
25 |
85 |
115 |
150 |
130 |
14×14 | |||
|
32 |
100 |
135 |
160 |
150 |
16×16 | |||
|
40 |
110 |
145 |
180 |
160 |
16×16 | |||
|
50 |
125 |
160 |
200 |
180 |
18×18 | |||
|
65 |
145 |
180 |
220 |
200 |
18×18 | |||
|
80 |
160 |
195 |
250 |
225 |
24×24 | |||
|
100 |
180 |
190 |
220 |
230 |
280 |
260 |
24×24 | |
|
125 |
210 |
220 |
245 |
270 |
320 |
290 |
24×24 | |
|
150 |
240 |
250 |
280 |
300 |
360 |
320 |
30×30 | |
|
200 |
295 |
310 |
335 |
360 |
400 |
340 |
40×40 | |




