三通保温旋塞
发表时间:6/11/2012 11:33:56 AM[ 阅读次数:1129 ]
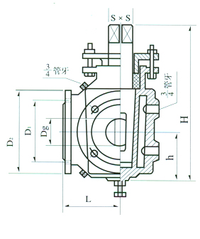
BX44W-0.6 MPa 单位:mm
|
Dg |
D1 |
D2 |
L |
H |
h |
总长 |
S×S |
备注 |
|
25 |
85 |
115 |
95 |
230 |
75 |
190 |
32×32 |
材质: |
|
40 |
110 |
150 |
110 |
295 |
90 |
220 |
32×32 | |
|
50 |
125 |
165 |
110 |
305 |
95 |
220 |
36×36 | |
|
65 |
145 |
180 |
120 |
340 |
105 |
240 |
38×38 | |
|
80 |
160 |
200 |
140 |
375 |
130 |
280 |
45×45 |

上一篇文章: 三通旋塞



